Product Summary
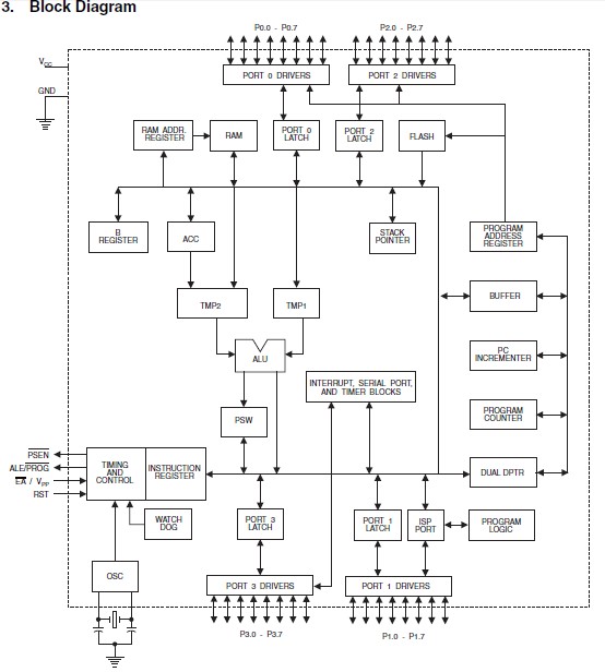
The AT89S52-24AU is a low-power, high-performance CMOS 8-bit microcontroller with 8K bytes of in-system programmable Flash memory. The device is manufactured using Atmels high-density nonvolatile memory technology and is compatible with the industry-standard 80C51 instruction set and pinout. The AT89S52-24AU provides the following standard features: 8K bytes of Flash, 256 bytes of RAM, 32 I/O lines, Watchdog timer, two data pointers, three 16-bit timer/counters, a six-vector two-level interrupt architecture, a full duplex serial port, on-chip oscillator, and clock circuitry. In addition, the AT89S52-24AU is designed with static logic for operation down to zero frequency and supports two software selectable power saving modes.
Parametrics
Absolute maximum ratings: (1)Operating Temperature: -55℃ to +125℃; (2)Storage Temperature: -65℃ to +150℃; (3)Voltage on Any Pin with Respect to Ground: -1.0V to +7.0V; (4)Maximum Operating Voltage: 6.6V; (5)DC Output Current: 15.0 mA.
Features
Features: (1)Compatible with MCS51 Products; (2)8K Bytes of In-System Programmable (ISP) Flash Memory: Endurance: 10,000 Write/Erase Cycles; (3)4.0V to 5.5V Operating Range; (4)Fully Static Operation: 0 Hz to 33 MHz; (5)Three-level Program Memory Lock; (6)256 x 8-bit Internal RAM; (7)32 Programmable I/O Lines; (8)Three 16-bit Timer/Counters; (9)Eight Interrupt Sources; (10)Full Duplex UART Serial Channel; (11)Low-power Idle and Power-down Modes; (12)Interrupt Recovery from Power-down Mode; (13)Watchdog Timer; (14)Dual Data Pointer; (15)Power-off Flag; (16)Fast Programming Time; (17)Flexible ISP Programming (Byte and Page Mode); (18)Green (Pb/Halide-free) Packaging Option.
Diagrams

| Image | Part No | Mfg | Description | ![]() |
Pricing (USD) |
Quantity | ||||||||||||
|---|---|---|---|---|---|---|---|---|---|---|---|---|---|---|---|---|---|---|
![]() |
![]() AT89S52-24AU |
![]() Atmel |
![]() 8-bit Microcontrollers (MCU) 8kB Flash 256B RAM 33MHz 4.0V-5.5V |
![]() Data Sheet |
![]()
|
|
||||||||||||
| Image | Part No | Mfg | Description | ![]() |
Pricing (USD) |
Quantity | ||||||||||||
![]() |
![]() AT8934 |
![]() TE Connectivity |
![]() General Purpose / Industrial Relays SEALED R RELAY |
![]() Data Sheet |
![]()
|
|
||||||||||||
![]() |
![]() AT8985P |
![]() Other |
![]() |
![]() Data Sheet |
![]() Negotiable |
|
||||||||||||
![]() |
![]() AT8989UP |
![]() Other |
![]() |
![]() Data Sheet |
![]() Negotiable |
|
||||||||||||
![]() |
![]() AT8992-A2-T-1 |
![]() |
![]() IC SWITCH PHY 64-TQFP |
![]() Data Sheet |
![]() Negotiable |
|
||||||||||||
![]() |
![]() AT8992M-A2-T-1 |
![]() |
![]() IC SWITCH PHY 100-MQFP |
![]() Data Sheet |
![]() Negotiable |
|
||||||||||||
![]() |
![]() AT8993-A2-T-1 |
![]() |
![]() IC SWITCH PHY 100-MQFP |
![]() Data Sheet |
![]() Negotiable |
|
||||||||||||
(China (Mainland))










