Product Summary
The BSM75GB120DN2 is an IGBT power module.
Parametrics
BSM75GB120DN2 absolute maximum ratings: (1)Collector-emitter voltage VCE: 1200 V; (2)Collector-gate voltage RGE = 20 kW VCGR: 1200V; (3)Gate-emitter voltage VGE: ± 20V; (4)DC collector current TC = 80 ℃ IC: 105 A; (5)Pulsed collector current, tp = 1 ms TC = 80 ℃ ICpuls: 210A; (6)Power dissipation per IGBT TC = 25 ℃ Ptot: 625 W; (7)Chip temperature T j: + 150 ℃; (8)Storage temperature Tstg: -55 to + 150℃.
Features
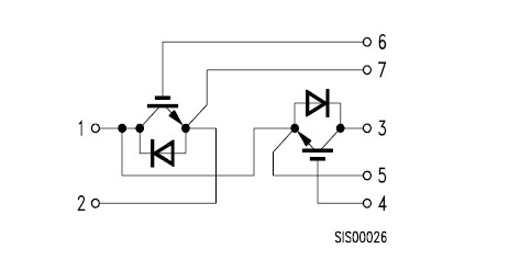
BSM75GB120DN2 features: (1)Half-bridge; (2)Including fast free-wheeling diodes; (3)Package with insulated metal base plate.
Diagrams

| Image | Part No | Mfg | Description | ![]() |
Pricing (USD) |
Quantity | ||||||||
|---|---|---|---|---|---|---|---|---|---|---|---|---|---|---|
![]() |
![]() BSM75GB120DN2 |
![]() Infineon Technologies |
![]() IGBT Modules 1200V 75A DUAL |
![]() Data Sheet |
![]()
|
|
||||||||
![]() |
![]() BSM75GB120DN2_E3223 |
![]() Infineon Technologies |
![]() IGBT Modules N-CH 1.2KV 105A |
![]() Data Sheet |
![]()
|
|
||||||||
![]() |
![]() BSM75GB120DN2_E3223c-Se |
![]() Infineon Technologies |
![]() IGBT Modules IGBT 1200V 75A |
![]() Data Sheet |
![]()
|
|
||||||||
(China (Mainland))









