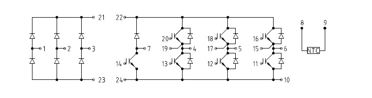
Product Summary
The FP50R06KE3 is an IGBT-Module.
Parametrics
FP50R06KE3 absolute maximum ratings: (1)collector-emitter voltage Tvj = 25℃ Vces: 600 V; (2)DC-collector current Tc = 80℃, Tvj = 175℃ Tc = 25℃, Tvj = 175℃ lc nom lc: 60A; (3)repetitive peak collector current tp = 1 ms Icrm: 100 A; (4)Gesamt-Verlustleistung total power dissipation Tc = 25℃, Tvj = 175℃ Ptot: 190 W; (5)gate-emitter peak voltage Vges: +/-20 V.
Features
FP50R06KE3 features: (1)gate threshold voltage lc = 0,80 mA, Vce = Vge, Tvj = 25℃ VGEth: 4,9v; (2)gate charge Vge = -15 V : +15 V, Vce = 300V Qg: 0,50 μC; (3)internal gate resistor Tvj = 25℃ RGint: 0,0Ω; (4)input capacitance f = 1 MHz, Tvj = 25℃, Vce = 25 V, Vge = 0 V Cies: 3,10nF.
Diagrams

![]() |
![]() FP500 |
![]() Meterman |
![]() Clamp Multimeters & Accessories FUSE .5A 100V 4 PACK CERAMIC FOR 37-38XR |
![]() Data Sheet |
![]() Negotiable |
|
||||||||
![]() |
![]() FP502 |
![]() Other |
![]() |
![]() Data Sheet |
![]() Negotiable |
|
||||||||
![]() |
![]() FP50R06KE3 |
![]() Infineon Technologies |
![]() IGBT Modules N-CH 600V 60A |
![]() Data Sheet |
![]()
|
|
||||||||
![]() |
![]() FP50R06KE3G |
![]() Infineon Technologies |
![]() IGBT Modules N-CH 600V 60A |
![]() Data Sheet |
![]()
|
|
||||||||
![]() |
![]() FP50R06W2E3 |
![]() Infineon Technologies |
![]() IGBT Modules IGBT 600V 50A |
![]() Data Sheet |
![]()
|
|
||||||||
![]() |
![]() FP50R06W2E3_B11 |
![]() Infineon Technologies |
![]() IGBT Modules IGBT 600V 50A |
![]() Data Sheet |
![]()
|
|
||||||||
(China (Mainland))








