Product Summary
2MBI400U4H-120 is an IGBT modue. Applications include Inverter for Motor drive, AC and DC Servo drive amplifier, Uninterruptible power supply and Industrial machines, such as Welding machines.
Parametrics
2MBI400U4H-120 absolute maximum ratings: (1)Collector-Emitter voltage: 600V; (2)Gate-Emitter voltage: ±20V; (3)Collector Power Dissipation: 1250W; (4)Junction temperature: 150℃; (5)Storage temperature: -40 to 125℃.
Features
2MBI400U4H-120 features: (1)High speed switching; (2)Voltage drive; (3)Low inductance module structure.
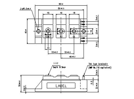
Diagrams

![]() |
![]() 2MBI100N-060-03 |
![]() Other |
![]() |
![]() Data Sheet |
![]() Negotiable |
|
||||
![]() |
![]() 2MBI100NB-120 |
![]() Other |
![]() |
![]() Data Sheet |
![]() Negotiable |
|
||||
![]() |
![]() 2MBI100NC-120 |
![]() Other |
![]() |
![]() Data Sheet |
![]() Negotiable |
|
||||
![]() |
![]() 2MBI100NE-120 |
![]() Other |
![]() |
![]() Data Sheet |
![]() Negotiable |
|
||||
![]() |
![]() 2MBI100P-140 |
![]() Other |
![]() |
![]() Data Sheet |
![]() Negotiable |
|
||||
![]() |
![]() 2MBI100PC-140 |
![]() Other |
![]() |
![]() Data Sheet |
![]() Negotiable |
|
||||
(China (Mainland))








