Product Summary
The 7MBR50SA060-50 is an IGBT module.
Parametrics
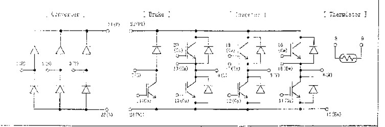
7MBR50SA060-50 absolute maximum ratings: (1)Collector-Emitter voltage(inverter): 600V; (2)Gate-Emitter voltage(inverter): ±20V; (3)Collector current-Continuous(inverter): 50A; (4)Collector current-1mS(inverter): 100A; (5)Collector Power Dissipation(inverter): 200W; (6)Junction temperature: 150℃; (7)Storage temperature: -40~+125℃; (8)Isolation voltage: 2500VAC; (9)Mounting Screw Torque: 3.5N.m; (10)Collector-Emitter voltage(brake): 600V; (11)Gate-Emitter voltage(brake): ±20V; (12)Collector current-Continuous(brake): 30A; (13)Collector current-1mS(brake): 60A; (14)Collector Power Dissipation(brake): 120W; (15)Repetitive peak reverse voltage(converter): 800V; (16)Average Output Current(converter): 50A.
Diagrams

![]() |
![]() 7MBR 10SA-120 |
![]() Other |
![]() |
![]() Data Sheet |
![]() Negotiable |
|
||||
![]() |
![]() 7MBR100SB060 |
![]() Other |
![]() |
![]() Data Sheet |
![]() Negotiable |
|
||||
![]() |
![]() 7MBR100SD060 |
![]() Other |
![]() |
![]() Data Sheet |
![]() Negotiable |
|
||||
![]() |
![]() 7MBR100U4B120 |
![]() Other |
![]() |
![]() Data Sheet |
![]() Negotiable |
|
||||
![]() |
![]() 7MBR10NE120 |
![]() Other |
![]() |
![]() Data Sheet |
![]() Negotiable |
|
||||
![]() |
![]() 7MBR10SA120 |
![]() Other |
![]() |
![]() Data Sheet |
![]() Negotiable |
|
||||
(China (Mainland))








