Product Summary
The 7MBR75VN120-50 is an IGBT module. Applications include Inverter for Motor Drive, AC and DC Servo Drive Amplifier and Uninterruptible Power Supply.
Parametrics
7MBR75VN120-50 absolute maximum ratings: (1)Collector-Emitter voltage: 1200V; (2)Gate-Emitter voltage: ±20V; (3)Collector power dissipation: 385W; (4)Collector-Emitter voltage: 1200V; (5)Gate-Emitter voltage: ±20V; (6)Repetitive peak reverse voltage (Diode): 1200V; (7Repetitive peak reverse voltage: 1600V; (8)Average output current: 75A; (9)Case temperature: 125℃; (10)Storage temperature: 140~125℃; (11)Screw torque: 3.5Nm.
Features
7MBR75VN120-50 features: (1)Low VCE(sat); (2)Compact Package; (3)P.C.Board Mount Module; (4)Converter Diode Bridge Dynamic Brake Circuit; (5)RoHS compliant product.
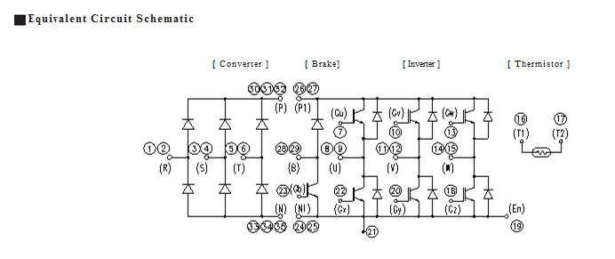
Diagrams

![]() |
![]() 7MBR 10SA-120 |
![]() Other |
![]() |
![]() Data Sheet |
![]() Negotiable |
|
||||
![]() |
![]() 7MBR100SB060 |
![]() Other |
![]() |
![]() Data Sheet |
![]() Negotiable |
|
||||
![]() |
![]() 7MBR100SD060 |
![]() Other |
![]() |
![]() Data Sheet |
![]() Negotiable |
|
||||
![]() |
![]() 7MBR100U4B120 |
![]() Other |
![]() |
![]() Data Sheet |
![]() Negotiable |
|
||||
![]() |
![]() 7MBR10NE120 |
![]() Other |
![]() |
![]() Data Sheet |
![]() Negotiable |
|
||||
![]() |
![]() 7MBR10SA120 |
![]() Other |
![]() |
![]() Data Sheet |
![]() Negotiable |
|
||||
(China (Mainland))








