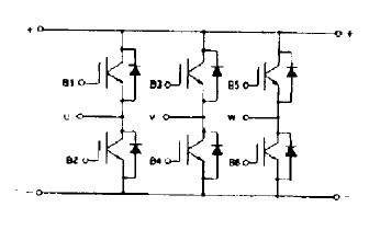
Product Summary
The 6MBI150FA-060 is an IGBT module. The applications of it include: (1)Inverter for motor drive; (2)AC.DC servo drive amplifier; (3)Uninterruptible power supply; (4)Industrial machines, such as welding machines.
Parametrics
6MBI150FA-060 absolute maxing ratings: (1)VCES: 600V; (2)VGES: ±20V; (3)IC: 150A; (4)IC pulse: 300A; (5)-IC: 150A; (6)-IC pulse: 300A; (7)Pc: 450W; (8)Tj: +150℃; (9)Tstg: -40~+125℃; (10)m: 450g; (11)Viscl: 2500V; (12)Mounting: 3.5N.m; (13)Terminal: 3.5N.m.
Features
6MBI150FA-060 features: (1)Low saturation voltage; (2)Voltage drive; (3)Variety of power capacity series.
Diagrams

![]() |
![]() 6MBI 25S-120L |
![]() Other |
![]() |
![]() Data Sheet |
![]() Negotiable |
|
||||
![]() |
![]() 6MBI 35S-120L |
![]() Other |
![]() |
![]() Data Sheet |
![]() Negotiable |
|
||||
![]() |
![]() 6MBI 50S-120L |
![]() Other |
![]() |
![]() Data Sheet |
![]() Negotiable |
|
||||
![]() |
![]() 6MBI100F-060 |
![]() Other |
![]() |
![]() Data Sheet |
![]() Negotiable |
|
||||
![]() |
![]() 6MBI100FA-060 |
![]() Other |
![]() |
![]() Data Sheet |
![]() Negotiable |
|
||||
![]() |
![]() 6MBI100FB-060 |
![]() Other |
![]() |
![]() Data Sheet |
![]() Negotiable |
|
||||
(China (Mainland))








