Product Summary
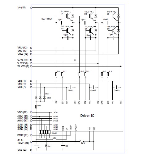
The IKCS17F60F2C is a CIPOS module. The IKCS17F60F2C offers the chance for integrating various power and control components to increase reliability, optimize PCB size and system costs. This IKCS17F60F2C is designed to control AC motors in variable speed drives for applications like air conditioning, compressors and washing machines. The package concept is specially adapted to power applications, which need extremely good thermal conduction and electrical isolation, but also EMI-save control and overload protection. The features of Infineon TrenchStop IGBTs and antiparallel diodes are combined with a new optimized Infineon SOI gate driver for excellent electrical performance. The product provides a FAULT signal, which is significantly simplifying the system.
Parametrics
IKCS17F60F2C absolute maximum ratings: (1)Storage temperature range Tstg: -40 to 125 ℃; (2)Operating temperature control PCB1 TPCB: 125 ℃; (3)Solder temperature Wave soldering, 1.6mm (0.063in.)from case for 10s Tsol: 260 ℃; (4)Insulation test voltage RMS, f=50Hz, t =1min VISOL: 2500 V; (5)Max. peak power of bootstrap resistor tp = 100μs Tc= 100℃ PBRpeak: 90 W; (6)Repetitive peak collector current tp limited by TvJmax Iu, Iv, Iw: 30 A.
Features
IKCS17F60F2C features: (1)DCB isolated Single In-Line molded module; (2)FAULT signal; (3)TrenchStop IGBTs with lowest VCE(sat); (4)Optimal adapted antiparallel diode for low EMI; (5)Integrated bootstrap diode and capacitor; (6)Rugged SOI gate driver technology with stability against transient and negative voltage; (7)Fully compliant to 3.3V and 5V microcontrollers; (8)Temperature sense; (9)Undervoltage lockout at all channels; (10)Matched propagation delay for all channels; (11)Low side emitter pins accessible for all phase; (12)current monitoring (open emitter); (13)Cross-conduction prevention; (14)Lead-free terminal plating; RoHS compliant; (15)Qualified according to JEDEC1 (high temperature stress tests for 1000h)for target applications.
Diagrams

| Image | Part No | Mfg | Description | ![]() |
Pricing (USD) |
Quantity | ||||||||||||
|---|---|---|---|---|---|---|---|---|---|---|---|---|---|---|---|---|---|---|
![]() |
![]() IKCS17F60F2C |
![]() Infineon Technologies |
![]() Motor / Motion / Ignition Controllers & Drivers SNGL IN-LINE INTELLIGNT PWR MODUL |
![]() Data Sheet |
![]()
|
|
||||||||||||
| Image | Part No | Mfg | Description | ![]() |
Pricing (USD) |
Quantity | ||||||||||||
![]() |
![]() IKCS08F60B2A |
![]() Infineon Technologies |
![]() IGBT Modules SNGL IN-LINE INTELLIGNT PWR MODUL |
![]() Data Sheet |
![]()
|
|
||||||||||||
![]() |
![]() IKCS08F60B2C |
![]() Infineon Technologies |
![]() IGBT Modules SNGL IN-LINE INTELLIGNT PWR MODUL |
![]() Data Sheet |
![]()
|
|
||||||||||||
![]() |
![]() IKCS08F60F2A |
![]() Infineon Technologies |
![]() IGBT Modules SNGL IN-LINE INTELLIGNT PWR MODUL |
![]() Data Sheet |
![]()
|
|
||||||||||||
![]() |
![]() IKCS08F60F2C |
![]() Infineon Technologies |
![]() IGBT Modules SNGL IN-LINE INTELLIGNT PWR MODUL |
![]() Data Sheet |
![]()
|
|
||||||||||||
![]() |
![]() IKCS12F60AA |
![]() Infineon Technologies |
![]() Motor / Motion / Ignition Controllers & Drivers CiPoS Single In-Line 600V 12A |
![]() Data Sheet |
![]() Negotiable |
|
||||||||||||
![]() |
![]() IKCS12F60B2A |
![]() Infineon Technologies |
![]() Motor / Motion / Ignition Controllers & Drivers SNGL IN-LINE INTELLIGNT PWR MODUL |
![]() Data Sheet |
![]()
|
|
||||||||||||
(China (Mainland))









