Product Summary
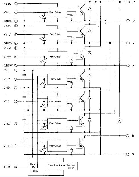
The 7MBP75RA120-55 is an IGBT-IPM.
Parametrics
7MBP75RA120-55 absolute maximum ratings: (1)DC bus voltage: 900V; (2)DC bus voltage (surge): 1000V; (3)DC bus voltage (short operating): 800V; (4)Collector-Emitter voltage: 1200V; (5)DB Reverse voltage: 1200V; (6)Collector current: 75A; (7)Collector power dissipation: 500W; (8)Storage temperature: -40 to 125℃; (9)Operating case temperature: -20 to 100℃.
Features
7MBP75RA120-55 features: (1)Temperature protection provided by directly detecting the junction temperature of the IGBTs; (2)Low power loss and soft switching; (3)Compatible with existing IPM-N series packages; (4)High performance and high reliability IGBT with overheating protection; (5)Higher reliability because of a big decrease in number of parts in built-in control circuit.
Diagrams

![]() |
![]() 7MBP100RA060 |
![]() Other |
![]() |
![]() Data Sheet |
![]() Negotiable |
|
||||
![]() |
![]() 7MBP100RTB060 |
![]() Other |
![]() |
![]() Data Sheet |
![]() Negotiable |
|
||||
![]() |
![]() 7MBP100TEA060 |
![]() Other |
![]() |
![]() Data Sheet |
![]() Negotiable |
|
||||
![]() |
![]() 7MBP150RA060 |
![]() Other |
![]() |
![]() Data Sheet |
![]() Negotiable |
|
||||
![]() |
![]() 7MBP150RTB060 |
![]() Other |
![]() |
![]() Data Sheet |
![]() Negotiable |
|
||||
![]() |
![]() 7MBP25RA120 |
![]() Other |
![]() |
![]() Data Sheet |
![]() Negotiable |
|
||||
(China (Mainland))








